2.4.10 DBMS Monitoring: Reports

Report

image 2023 02 21 17 00 02 544

On the first day of every month, it automatically generates a report for the previous month.

Alternatively, you can generate it manually using the "Generate report" button.

image 2023 02 21 17 00 02 543

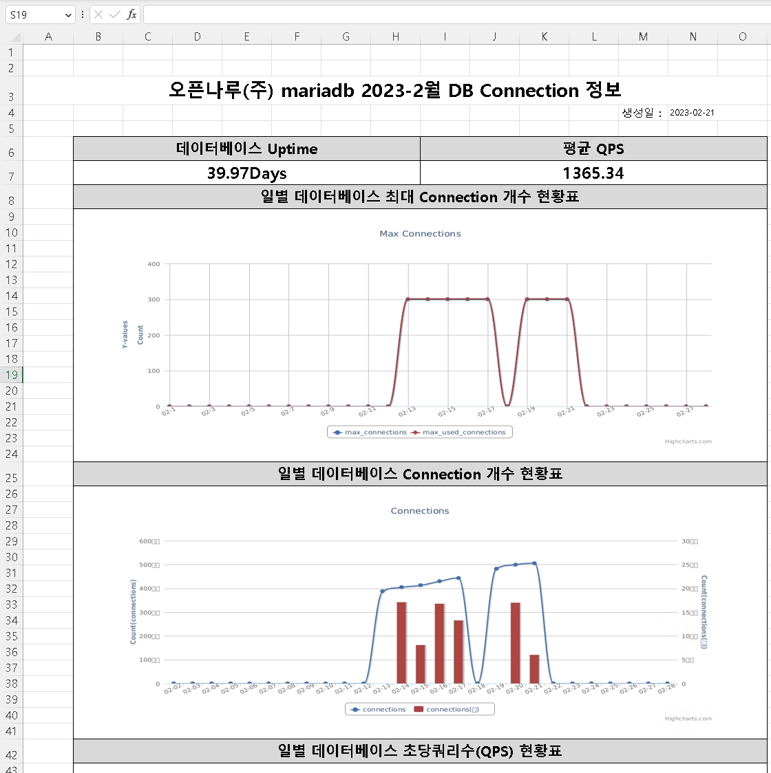
The report is organized by Connections, Storage Engines, InnoDB, Caches, Tables, Queries, I/O related, Monitoring, and Concurrency to give you a quick overview of whether your DBMS is running stably.

image 2023 02 21 17 00 02 545

The simplified report shows the daily fluctuations in usage through graphs.

  • Maximum number of database connections

  • Database Connection Count

  • Database Queries Per Second (QPS)

  • Database Command Usage

  • Database innodb buffer pool size

  • Database innodb data activity

  • Database innodb waits

  • Database table locks

  • database full table scan rate